服务热线 全国服务热线:

13773759188

  • SLVd/s-0.1手动单、双向平板闸阀
SLVd/s-0.1手动单、双向平板闸阀

SLVd/s-0.1手动单、双向平板闸阀


    扫二维码查看手机官网


    产品品牌:南通紫瑞

    联系电话:13773759188


一、用途

该闸阀适用于建材、冶金、矿山等行业粉尘物料流量控制的管道上,是控制粉尘物料流量的设备。


二、特点

该闸阀结构筒单,重量轻,操作灵活,装拆方便,采用碳素钢制造,丝杆及螺母采用了软防护罩结构,不受外界粉尘影响。


三、工作原理

该闸门主要由框架、丝杆螺母、手轮、链轮、闸板组成,手轮(链轮)转动,丝籽带着丝杆螺母和闸板作水平方向的往复运动,达到阀门的启闭目的。


四、型号编制说明

a1-1.png

五、主要性能参数

a1-2.jpg

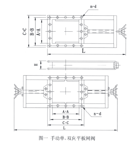
六、外形及连接尺寸

a1-3.png

外形及安装尺寸

a1-4.jpg

上一条:没有了! 下一条:没有了!

产品展示

联系我们

公 司:南通紫瑞环保科技有限公司

手 机:13773759188

邮 箱:13773759188@163.com

地 址:江苏省南通市海安高新区谢庄村10组

Copyright © 2023-2030南通紫瑞环保科技有限公司 All rights reserved.

中华人民共和国非经营性ICP编号:苏ICP备2023012214号-1

苏公网安备32062102000707

加入成功

×

您已成功将该商品添加到购物车!

购物车当前共有0种商品合计:0.00