
扫二维码查看手机官网
一、用途
该阀又名:闪动阀,适用于建材、冶金、矿山等行业,用于物料输送的调节及控制,防止野风的进入,确保系统输送的畅通。
二、特点
1、该阀采用钢板焊接而成。
2、该阀采用锥形锁风方式,因而锁风面具有可调性。
3、该阀结构简单,使用维修方便。
4、具有自动锁风,落料的功能,落料的频率依据工况要求,通过调整弹簧力来实现。
三、工作原理
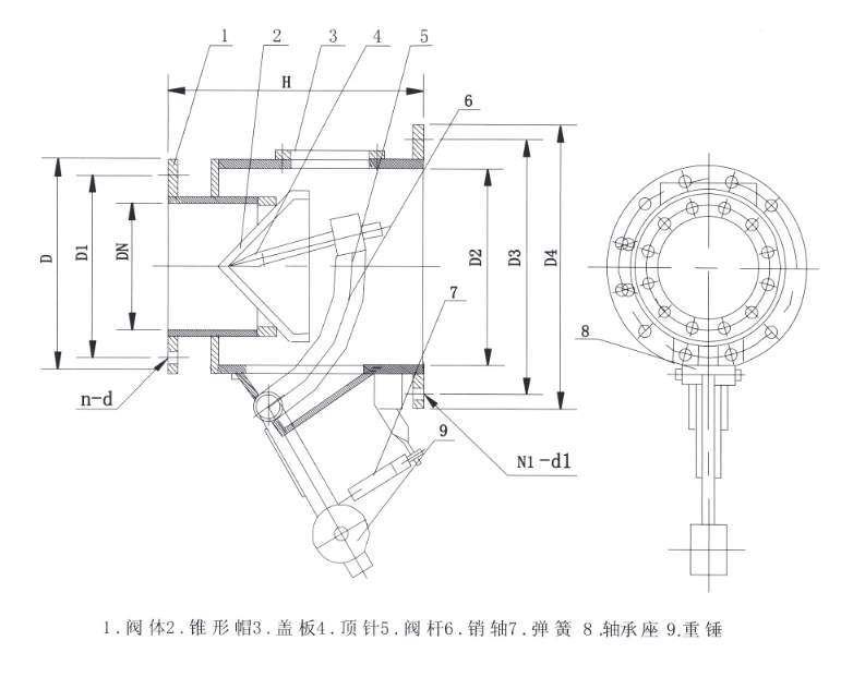
该闸主要由壳体、锥形帽、顶针、阀杆、重锤、弹簧等零件组成,采用钢板焊接结构,设计新颖,结构简单,工作时调整重锤位置通过阀杆给锥形帽施加一个向上的力,使锥形帽紧贴壳体内孔,使阀门关闭,从而达到锁风的目的,当物料的重最压下锥形帼,使阀门开启,此时进行送料,而后锥形帽在重锤作用下,恢复原化,进行锁风。
四、型号编制说明

五、主要性能指标





公 司:南通紫瑞环保科技有限公司
手 机:13773759188
邮 箱:13773759188@163.com
地 址:江苏省南通市海安高新区谢庄村10组