
扫二维码查看手机官网
一、用途
本系列锁风翻板阀适用于建材、冶金、化工、电力等行业,作为各类除尘设备的灰斗卸料装重及各种磨机、烘干机、料仓等设备的给卸料装置,防止野风吹入。
二、结构特点
本系列锁风翻板阀采用钢板焊接结构,配重杆自动复位机构,结构紧凄,工作平稳可靠。
三、工作原理
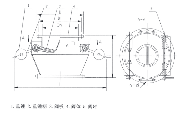
该系列阀门的阀板在物料重力作用下自动开启,物料下落后,配重杠杆系统使阀板自动复位,防止野风吹入,从而完成物料的输送。
四、型号编制说明

五、主要性能指标

六、主要外形尺寸(见图一、图二、图三、图四、表一、表二、表三、表四、表五)
图一、DaSzFv-Ⅱ单层双门重锤式锁风翻板阀


图二、DaSzFJ-单层双门重锤式锁风翻板阀

图三、DaSzFY-Ⅰ单层单门重锤式锁风翻板阀


图四、DaSzFJ-Ⅰ单层单门重锤式锁风翻板阀


公 司:南通紫瑞环保科技有限公司
手 机:13773759188
邮 箱:13773759188@163.com
地 址:江苏省南通市海安高新区谢庄村10组