
扫二维码查看手机官网
一、用途
烟道挡板主要用于石油、化工、水泥、电力佘热锅炉系统,安装于烟所管道上,以调节或切断烟气通量。
二、结构特点
烟道挡板采用单轴式无村里结构,烟道挡板的阀板和阀座均采用Q235-A,阀轴采用2Grl3调质钢制造,当烟道温度>350℃~550℃时,阀板、阀座均采用1Crl&NiSTi,阀轴采用ICrIENiSTi制造。
根据用户的需要,烟道挡板亦可设计制造成方形,上园下方形,以适用不问藏面形状烟道的需要。
烟道挡板配用手动执行机构(当直径ф≤900mm时配手轮机构),装有指针和0~9指示牌,以指示阀板开启程度。
三、技术性能
介质:烟气 压力:0.05Mpa 温度:35°C,550°C
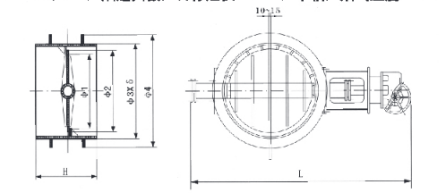
四、外形机构及连接尺寸

五、型号示例
YDDB1200-Ⅰ/350,烟道挡板,公称通径ф1200,单轴,烟气温度350°C。

公 司:南通紫瑞环保科技有限公司
手 机:13773759188
邮 箱:13773759188@163.com
地 址:江苏省南通市海安高新区谢庄村10组