
扫二维码查看手机官网
一、用途
本蝶阀与手动蜗轮、蜗杆或气动,电动执行机构配套使用,应用于石油、化工、水泥、电力余热锅炉系统、安装在高温烟气管道上,接受调节信号自动控制或切断。
二、特点
本高温蝶阀阀体带衬里阀板和阀座均采用Ocr25Ni20,轴采用工Gr18Ni9Ti耐热不锈钢制造,结构上没有空气吹扫孔,使阀门在高温条件下有利于正常运行度,减少积灰,使阀板不出现卡死现象、从而保证阀板开启灵活。
三、技术参数
介质:高温烟气。
泄漏率:≥2%。
压力:0.05MPa。
使用温度:110D℃。
注:有关电动、气动技术性能,参照有关本公司电动、气动执行机构技术性能或与本公司技术开发部联系洽淡。
四、型号示例
YDDB-2000-Ⅰ/GW 手动操作 带衬里。
YDDB-2000-Ⅰ/GW-Q 手动操作 带衬里。
YDDB-200-Ⅰ/GW-D 电动操作 带衬里。
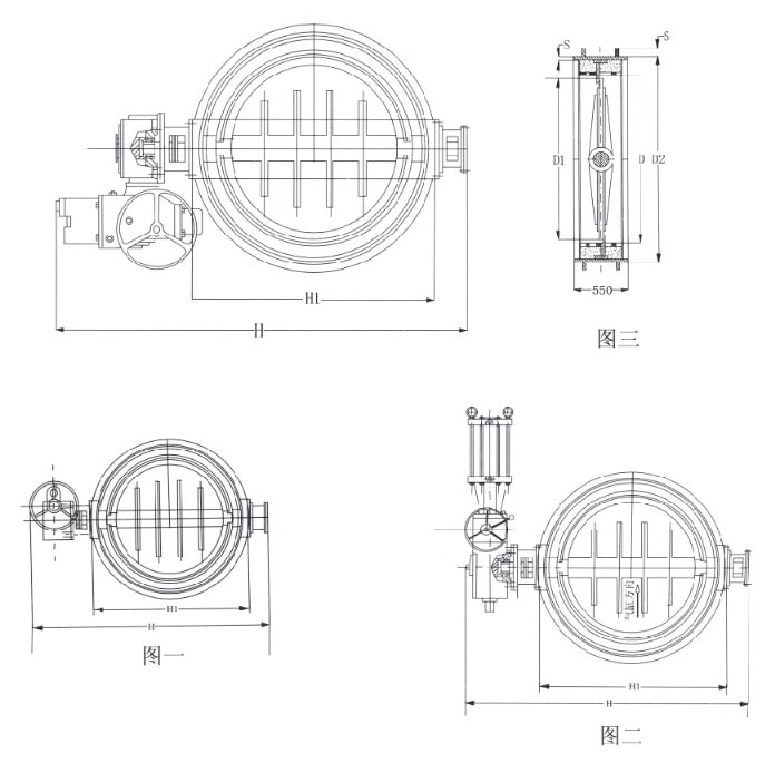
五、外形结构及连接尺寸(详见图一、图二、图三、表一、表二、表三)

手动高温蝶阀

气动高温蝶阀

电动高温蝶阀

公 司:南通紫瑞环保科技有限公司
手 机:13773759188
邮 箱:13773759188@163.com
地 址:江苏省南通市海安高新区谢庄村10组