
扫二维码查看手机官网
一、概述
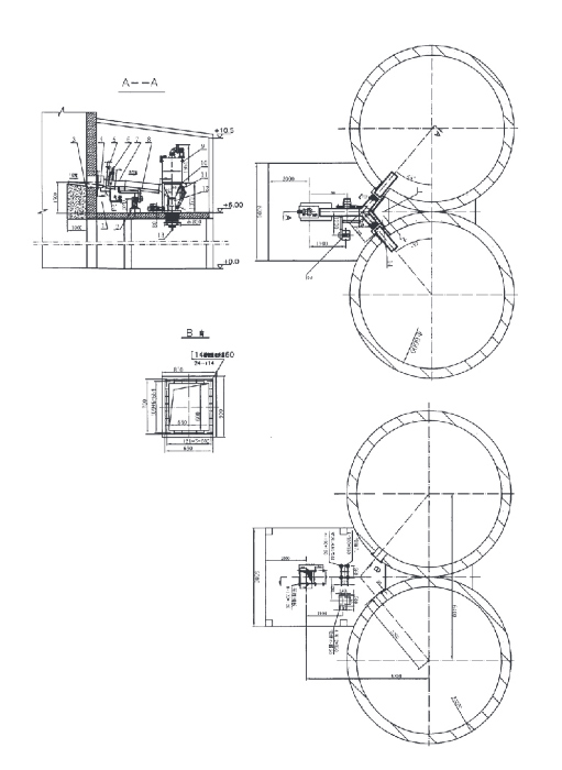
SZⅡ/2两库连体散装机具有库侧散装机的全部功能,卸料时根据实际情况,两库既可单独卸料,也可同时卸料,各库用各自的卸料箱,库内承料槽和机头、截止阀,共用斜糟、斜糟风机、除尘器、料位仪、散装头和罗茨风机,在有限的空间位置或库的物料需要混合时,建议使用两库或三库连体散装机。
二、示意图

罗茨风机 D14
截止阀 J41W-16
料位仪 SLY-40
散装机 ZSQ-150
风管 ф125
集灰斗
除尘器 HD8828
斜槽 由工艺定
三通槽 由工艺定
电动回转阀 B300*350
单向螺旋阀门 B300*120
连接斜槽 B300*380
库侧卸料器 B380*2000
斜槽风机 9-19No4A-2.2KW
管路系统
技术要求
1、本平台四周应密封,以防风吹雨打,具体结构自定。
2、该散装机装车能力为80-150t/H。
3、安装时,所有法兰均加密封材料。
4、本机工作时应打开相应库的截止阀。
5、罗茨风机可选D14,其压力为29.4Kpa,风量为2.3m3/nin。
6、其不同直轻的均化库,其三通槽角度不同,可由实际情况定。
公 司:南通紫瑞环保科技有限公司
手 机:13773759188
邮 箱:13773759188@163.com
地 址:江苏省南通市海安高新区谢庄村10组